I’ve been doing some drag runs and of course my reaction time is a factor, but the GigaFOIL has it beat on the quarter mile by 0.00000001777484485855 seconds on average. In other words… it’s not even close!
Jeff - Thanks; ordered an Sbooster 5V ULTRA MKII In DEC, 2018 and still waiting for delivery; will be delivered MAR, 2019 according to distributor. I received the Sbooster MKII (5V) for the AQVX-SE already, just waiting for delivery on the ULTRA. What linear power supply are you going to use, I may just try another vendor? As an engineer, I like to design it on paper and think about it for a while. Thanks a lot for your help. The Roon OS on Roon Nucleus+ Hardware with AQVOX-SE and both powered from separate Sbooster linear power supplies connected to PSA P20 through AC12 powercables was a game changer. I rarely use my PSA DS DMP after listening to this level of streaming. This configuration modification will require 25cm AQVOX CAT7 cable; the GIGA FOIL filter; 1.5m AC5 power cable, 5V Sbooster MKII LPS; Sbooster ULTRA; aluminum channel; and integration. However, this saves me from buying all the fiber optic converter clap-trap and concentrates the Ethernet galvanic isolation (optic) in one small package that is easily mounted on the back of my component rack. I will document the process. I wanted the PS pic because they have (2) versions of wall warts and wanted to see which one. If it is the wall wart I think, I will plug it directly into the PSA P20 and the DC end run to the GIGA FOIL. If it is the other, with power cable input, the I have to figure out where it will be mounted.
Also, how long of break in before you experienced the better SQ. Was there break in or better SQ right from the jump. Good to hear the AQVOX-SE plays well with the GIGA FOIL. Explain the better SQ with a little more description please.
For those that have tried both, which has the greatest impact/should be installed first:
- AQVOX AQ-SWITCH SE ethernet switch LAN isloator; or
- GigaFOIL v4 inline ethernet filter?
For those that have installed one or the other and are considering running with both, let us know which proves to be the biggest bang for the buck.
I was really considering going for the AQVOX switch, but the value proposition leaves me wanting without additional testimony.
Scott
Below is the cost of implementing the AQVOX-SE switch
- AQVOX-SE = $1,000 US
- AQVOX CAT7 Ethernet cable (0.5m), switch to Nucleus+ = $250 US
- AQVOX CAT7 Ethernet cable (0.5m), switch to PSA DAC = $250 US
- Sbooster MKII 5V linear PS = $350 US
- Sbooster MKII Ultra = $85 US
- PSA AC5 power cable for Sbooster = $250 US
Below is the cost of implementing the GIGA FOIL filter
- GIGA FOIL V4 = $570 US
- AQVOX CAT7 Ethernet cable (25cm) = $250 US
- Sbooster MKII 5V linear PS = $350 US
- Sbooster MKII Ultra = $85 US
- PSA AC5 power cable for Sbooster = $250 US
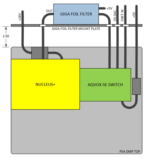
Jeff - I got to thinking about tapping the rack poles to mount the GIGA FOIL filter. In the future I would be relying on that exact rotational position of the tapped holes if I ever reconfigured the rack. Since I have reconfigured the rack twice in less than a year, I need to make sure the GIGA FOIL mounting bar is reconfigurable. Therefore, going to use (4) black zipp ties securing it to the rack poles. Also, since I have 4in of space above the PSA DS DMP, I’m going to place the Sbooster on the DMP next to the AQVOX-SE and run the input (AC5 power cable) and output 5V through the GIGA FOIL mounting bar. In addition, I’m going to use zip ties on the GIGA FOIL enclosure to keep it secure instead of velcro. Also, since I’m essentially closing the back of the DMP shelf, I need to get the AQVOX-SE Sbooster LPS 5V through the mounting bar. In addition, I need to get the Nucleus+ & PSA DS DAC Ethernet from AQVOX-SE on the top of the DMP.
I just added Isoacoustic Bronze pucks a few weeks ago under all my components. After removing the feet they gained about a half inch height. The area above the DMP to glass shelf is now exactly 3.0625in and the Sbooster height is 2.9375in. About an 1/8in room. It’s a really good thing all the my Sbooster LPS modules have been using are running really cool. Worse case, I will add a 0.125in large washer between the underside of the top glass shelf and poles to give me a little bit of variance room.

Still curious if/when the 2017 announced Uptone etherREGEN will show…
”Thank you for your interest in our forthcoming EtherREGEN. For audio purposes this Ethernet switch will be superior to all the other modified switches currently offered (by folks like Paul Pang, AQVOX, TheLinearSoution, etc.). It is a complete new design with every element of isolation, clocking, and power considered.
Like all UpTone products, it will provide extraordinary performance with a price that is a low as we can make it and still fit into our standard profit model (which is generally 2x total build cost). We do not have dealers, so there is no dealer margin mark-up in the retail price. That said, there are some costly parts being used, and while I have yet to tally the total parts cost, I expect that the price will be in the $500 range (not less than $450 and certainly not more than $600; I’d be happy with $495, though if parts add up too much it could be $550).
Based on current development status, we think release in November of this year is most likely.
Very best regards,
Alex Crespi-
”UpTone Audio LLC
Mariposa, California
Phone: 1-209-966-4377”
AQVOX improved their switch, birthing the “SE” model, which emerged after this announcement was made. Their proclamation of superiority over AQVOX cannot apply to the AQVOX SE as this model switch did not exist when this statement was made.
And just to be clear, I am not saying the EtherREGEN is not worthy. But, facts are facts and I am always weary of marketing-driven, “visions of grandeur” statements such as this.
Yes, vaporware always sounds better than gear being listened to and judged. The reason I bought the AQVOX-SE as you have mentioned and it is worth every penny. Wishful thinking (hope) is always a precursor to excellent execution, or not. With audio, I see a lot of companies make claims with their vaporware. It is a sincere form of flattery when they compare their vaporware (hope) with gear I own. Anyway, I hope they produce gear as good as AQVOX-SE at half the cost… that would be a game changer. Like buying Roon OS on Roon Nucleus+ @ $2500 was a total game changer with an array of DSP options and incredible software. Now that Roon has integrated Qobuz, when Qobuz goes live (not beta), winner takes all on my Nucleus+ running Roon OS.
CTotally agreed, the etherREGEN was announced in 2017 but lacking any news on further developments. Doubt if it’ll be released soon. But it is great having many manufacturers to investigate optimizing digital audio and competition is quite healthy in the goal to finally achieve the ultimate solution (if there is one…).
I’m also very curious what the giga foil would bring in my setup, just like the upcoming PSA Octave streamer/server/Bridge III with its Air Gap Audio Interface…
Now with Qobuz, Tidal, Spotity etc. these are great times for us audiophiles!!!
Having that said for the time being i’m very happy with my Melco with its usb optimalisation and ethernet purifier in combination with the Pink Faun LAN isolator 
We like what we have, and have invested time and money in. I was mulling the many alternatives, as my aging Mini with various add-ons, was no longer getting it. When I read some of the chains folks get into creating on CA threads and so on…and when the back of my shelves and the floor start to get littered with stuff that fixes some shortcoming(s), I start to long for a “cleaner” solution - just in terms of streamlining the rig, not cleanliness per se.
I’ve been a Roon subscriber for three years, and think it’s great. However, the Subscriptions are also piling up, and starting to resemble a Cable bill. Software and Hardware Cruft! So - chose the AURALiC Aries G1. Sounds great, works great, Lightning app’s very good, Qobuz/Tidal/Roon integration (though you’d still need a Roon Core - a drawback of Roon, IMO). Seriously looking at ditching Roon and Tidal subs.
Airplay, Bluetooth, Roon Ready, Spotify Connect, if desired, but sounds better with them off.
It is galvanically isolated from the network by virtue of being Wi-fi (you can run it hardwire if preferred). There’s another problem solved/cleaned up. Big drive with my hardcopy library connected via USB3. I currently have it connected to the DSJ with a good USB cable…could get fancier, have tried AES and so on. Sounds great with a plain ole’ (decent audiophileish) USB cable. I’m sure I’ll eventually try putting the Ethernet/USB galvanic iso chain on it for kicks.
Anyhow, sounds like I’m shilling for them, but you could say that about the current Aqvox discussion. We’re into what we’re into ; ). This not a serious review, and I haven’t compared with the Aurenders and so on - from what I read they may sound better but the app may be worse, and tend to be more costly.
The irony is I was motivated to do this because improvements to my Vinyl rig made the streaming sound lifeless by comparison. I’m just pretty geeked at how far this stuff has come in the past few years. Like I said above - Golden age of Both. Fun Times!
Badbeef,
Totally second your take on the Auralic Aries G series. No shill in my book! Definitely Golden Age. Amazing how great streaming sounds!
@Twittering Machines
Thanks for the link, should be interesting… 
Yeesh! Yer old!!
I was just REALLY young when the A-Team was airing. I really miss that show.
Quality TV…full stop.

Thanks for that @brett66
Jeff - Just finished re-doing the Giga FOIL configuration based on feedback from DJM Electronics, thanks. I can now use the 25cm AQVOX CAT7 cable. I moved the Nucleus+ from on top of the Sbooster plinth to on top of the PSA DS DMP, with the AQOX-SE switch. The +5V Sbooster for the Giga FOIL will take the place of the Nucleus+ so the weight for the Isoacoustic Bronze pucks will stay in the optimum weight range. There is a 2 month delivery on the Sbooster so I will use the DJM Electronics LPS (1A) and AQVOX-SE switch LPS to see which sounds better before the Sbooster (3A) LPS is delivered. The Giga FOIL was delivered; took a week from on-line order to front door. Still waiting for the AQVOX CAT7 cable (25cm) and custom mounting plate.
Reconfiguring the component rack:

